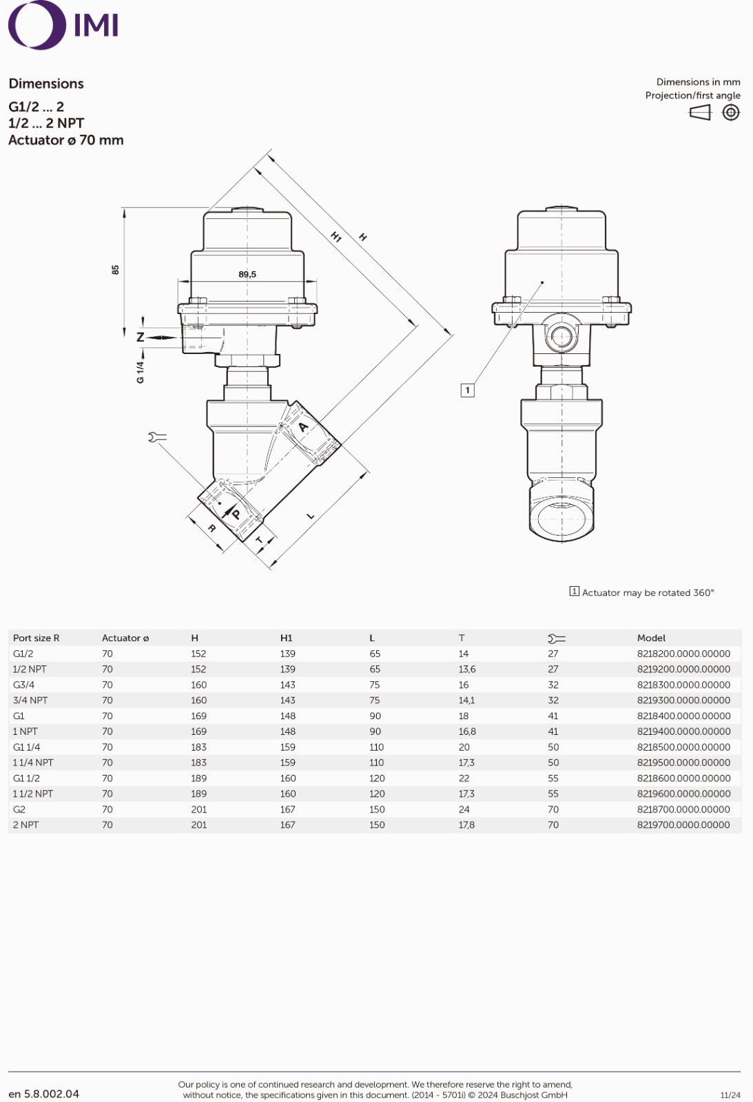
接口尺寸: G1/2 ... 2
通径: DN 15 ... 50
大流量
适用于最多 90% 的真空
适用于受污染的工艺流体
阻尼关闭(放背压和逆流设计)
IMI Buschjost宝硕,工艺流体阀,82180/82280/82290系列
产品分类:宝硕流体阀
2/2, 外部流体压力驱动_IMI
详细介绍






产品分类:宝硕流体阀
2/2, 外部流体压力驱动_IMI
接口尺寸: G1/2 ... 2
通径: DN 15 ... 50
大流量
适用于最多 90% 的真空
适用于受污染的工艺流体
阻尼关闭(放背压和逆流设计)





